Hotline:
0988.437.228 / 0925.851.688
Maykeo.VN - Thông tin chi tiết máy kéo
Trang chủ
Giới thiệu
Hướng dẫn đặt hàng
Giỏ hàng (0)
Đăng nhập
Trang chủ
Máy kéo YANMAR
Máy kéo YM351A -YM357A-EF393T-EF494T-EF725T-YM359A-EF514MU
Máy kéo YM351 - YM357
Sơ đồ tháo lắp phụ tùng Yanmar ym351 - 357
ĐỘNG CƠ YANMAR YM351
ĐỘNG CƠ YANMAR YM357
ĐIỀU KHIỂN ĐỘNG CƠ
TRỤC TRƯỚC
HỘP SỐ
TRỤC SAU
HỆ THỐNG THUỶ LỰC
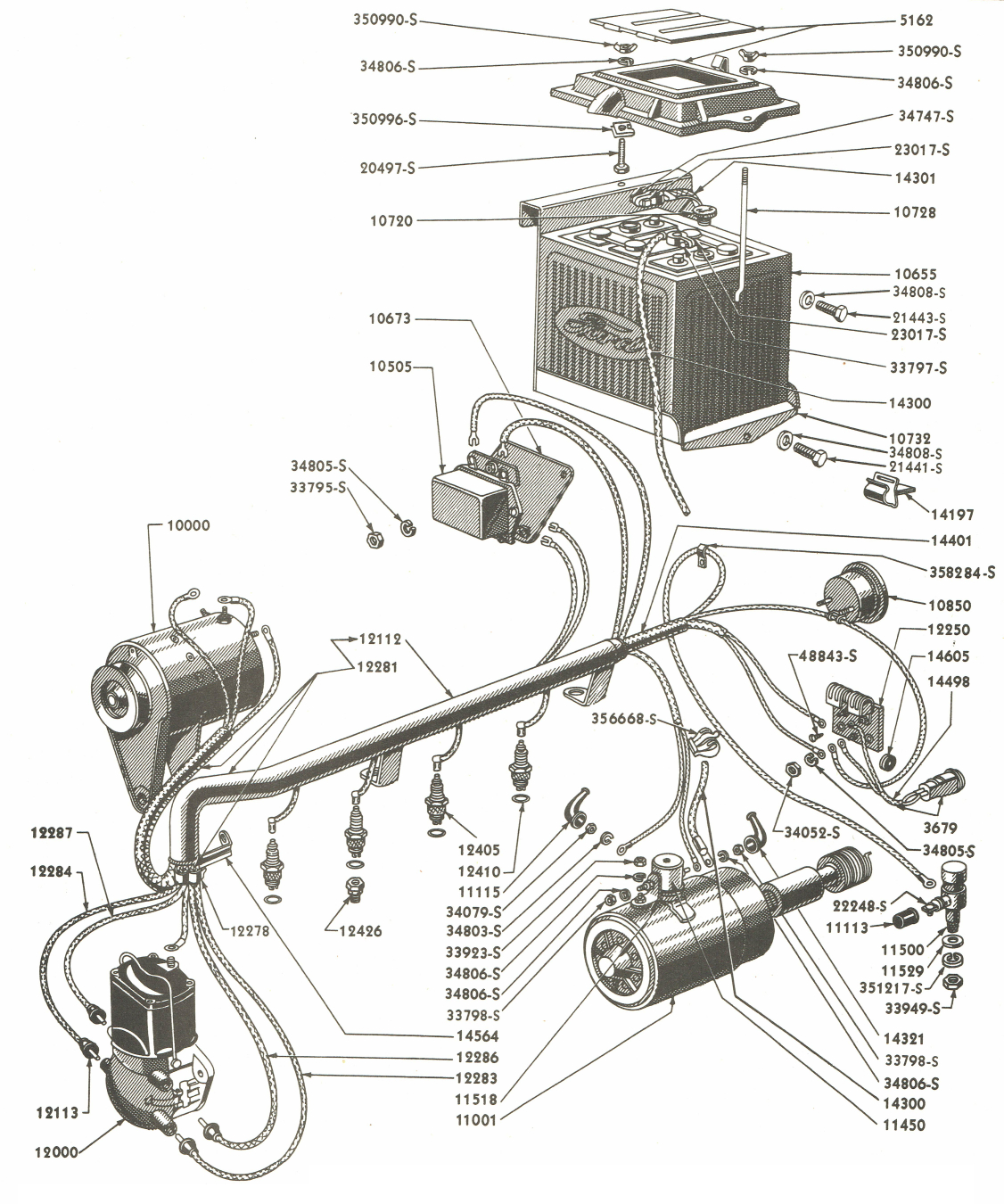
HỆ THỐNG ĐIỆN
THÂN VỎ
TEM NHÃN
CƠ CẤU LIÊN KẾT ĐIỀU KHIỂN
NỐI 3 ĐIỂM
KHUNG AN TOÀN
TUỲ CHỌN MUA THÊM