| STT | Tên sản phẩm | Mã số | Giá bán | Đặt hàng |
|---|---|---|---|---|
| 2 | CỤM LIÊN KẾT, TRÊN | 1A8253-71110 | 1,563,000 | |
| 3 | CỤM CHỐT | 1A8330-71130 | 202,000 | |
| 4 | CỤM CHỐT | 1A8330-71130 | 202,000 | |
| 5 | CHỐT, MÓC NGOẠM | 1A7335-71240 | 351,000 | |
| 6 | CHỐT, LIÊN KẾT TRÊN | 1A8253-71240 | 156,000 | |
| 7 | LÒ XO, KẸP | 1A7880-71550 | 114,000 | |
| 8 | CỤM LIÊN KẾT, NÂNG PHẢI | 1A8252-72100 | 836,000 | |
| 9 | VÒNG ĐỆM 16 | 1A7500-72160 | 30,000 | |
| 10 | CHỐT ĐÍNH 13-19 | 1A8275-72180 | 14,000 | |
| 11 | CỤM LIÊN KẾT, NÂNG TRÁI | 1A8252-72310 | 836,000 | |
| 12 | CHỐT,TAY GẠT NÂNG | 1A8252-72400 | 125,000 | |
| 13 | CHỐT, ÁCH NÂNG | 1A8252-72550 | 133,000 | |
| 14 | BỘ KÍT LIÊN KẾT,DƯỚI&XÍCH | 1A8253-73011 | 3,673,000 | |
| 15 | CỤM LIÊN KẾT, DƯỚI | 1A8253-73300 | ||
| 16 | CỤM XÍCH, KIỂM TRA | 1A8253-74601 | 1,007,000 | |
| 16A | CỤM XÍCH, TRƯỚC | 1A8253-74610 | ||
| 16B | CHỐT, XÍCH KIỂM TRA | 198254-74630 | ||
| 16C | CHỐT, CHÊM 4.0X25 | 1A7335-74630 | ||
| 16D | CỤM XÍCH, SAU | 1A8253-74650 | ||
| 16E | VÒNG, 32 | 1A7500-74661 | 50,000 | |
| 16F | ĐAI ỐC, M16 | 1A7500-74670 | ||
| 16G | VÒNG ĐỆM, LÒ XO 16 | 1A7500-74680 | ||
| 16H | ĐAI ỐC SIẾT, M20 | 1A8253-74700 | ||
| 17 | LÒ XO, KHÓA 3 ĐIỂM | 1A7781-73150 | ||
| 18 | VÒNG ĐỆM, 8 | 22137-080001 | 9,000 | |
| 19 | CHỐT, CHÊM 3.0X25 | 22417-300250 | 25,000 |
| STT | Tên sản phẩm | Mã số | Giá bán | Đặt hàng |
|---|---|---|---|---|
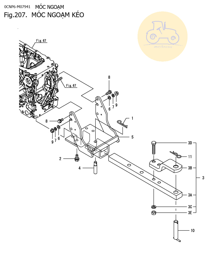
| 1 | CHỐT, KHÓA | 1A8252-10150 | 14,000 | |
| 2 | BU-LÔNG, M14X28 | 1A8252-75650 | ||
| 2-1 | BU-LÔNG, M14X28 | 1A8252-75651 | ||
| 3 | BỘ MÓC NGOẠM, ĐÒN KÉO | 1A8253-75710 | 2,099,000 | |
| 3A | MÓC NGOẠM,THANH KÉO | 1A8253-75110 | ||
| 3B | GIÁ ĐỠ, CHẠC CHỮ u | 1A8253-75120 | ||
| 3C | VÒNG ĐỆM, LÒ XO 16 | 22217-160000 | 6,000 | |
| 3D | BU LÔNG, M16X 75 MẠ | 26116-160752 | 114,000 | |
| 3E | ĐAI ỐC, M16 | 26716-160002 | 11,000 | |
| 4 | CHỐT, MÓC NGOẠM | 1A8275-75430 | 218,000 | |
| 5 | GIÁ ĐỠ,THANH KÉO | 1A8253-75530 | 2,455,000 | |
| 6 | VÒNG ĐỆM 12 | 22137-120001 | 22,000 | |
| 7 | VÒNG ĐỆM, LÒ XO 12 | 22217-120000 | 3,000 | |
| 8 | BU LÔNG, M12X 25 MẠ | 26106-120252 | 17,000 | |
| 9 | ĐAI ỐC, VÀNH M12 | 41571-120000 | ||
| 10 | CỤM CHỐT, MÓC NGOẠM 25 | 1A8253-75750 | 206,000 | |
| 11 | CHỐT, ĐÍNH 28 | 1A8253-75790 | 17,000 |
| STT | Tên sản phẩm | Mã số | Giá bán | Đặt hàng |
|---|---|---|---|---|
| 1 | CỤM LIÊN KẾT, TRÊN | 1A8252-71110 | ||
| 2 | NAP | 1A7335-71250 | 34,000 | |
| 3 | ĐAI ỐC, KHÓA | 1A8450-71390 | ||
| 4 | CỤM ĐAI ỐC SIẾT | 1A8252-71500 | ||
| 5 | CHỐT, LÒ XO 5,0X25 | 1A7335-71760 | 30,000 | |
| 6 | CỤM BU-LÔNG MẮT, PHẢI | 1A8252-71800 | ||
| 7 | CỤM BU-LÔNG MẮT, TRÁI | 1A8252-71830 | ||
| 8 | NÚM, DẦU BÔI TRƠN MT6X1 | 24761-060000 | 47,000 | |
| 9 | CỤM CHỐT | 1A8330-71130 | 202,000 | |
| 10 | CHỐT, MÓC NGOẠM | 1A7335-71240 | 351,000 | |
| 11 | CỤM CHỐT, LIÊN KẾT TRÊN | 1A8252-71240 |
| STT | Tên sản phẩm | Mã số | Giá bán | Đặt hàng |
|---|---|---|---|---|
| 1 | LÒ XO, KẸP | 1A7880-71550 | 114,000 | |
| 2 | VÒNG ĐỆM, 8 | 22137-080001 | 9,000 | |
| 3 | CHỐT, CHÊM 3.0X25 | 22417-300250 | 25,000 |
| STT | Tên sản phẩm | Mã số | Giá bán | Đặt hàng |
|---|---|---|---|---|
| 1 | VÒNG ĐỆM 16 | 1A7500-72160 | 30,000 | |
| 2 | CHỐT ĐÍNH 10-16 | 1A8252-72180 | ||
| 3 | CỤM LIÊN KẾT, NÂNG TRÁI | 1A8252-72310 | 836,000 | |
| 4 | CHỐT,TAY GẠT NÂNG | 1A8252-72400 | 125,000 | |
| 5 | CHỐT, ÁCH NÂNG | 1A8252-72550 | 133,000 |
| STT | Tên sản phẩm | Mã số | Giá bán | Đặt hàng |
|---|---|---|---|---|
| 1 | CỤM LIÊN KẾT, NÂNG PHẢI | 1A8252-72100 | 836,000 | |
| 2 | VổNG ĐỆM 16 | 1A7500-72160 | 30,000 | |
| 3 | CHỐT ĐÍNH 10-16 | 1A8252-72180 | ||
| 4 | CHỐT,TAY GẠT NÂNG | 1A8252-72400 | 125,000 | |
| 5 | CHỐT, ÁCH NÂNG | 1A8252-72550 | 133,000 |
| STT | Tên sản phẩm | Mã số | Giá bán | Đặt hàng |
|---|---|---|---|---|
| 1 | CỤM CHỐT | 1A8330-71130 | 202,000 | |
| 2 | BỘ KÍT LIÊN KẾT,DƯỚI&XÍCH | 1A8263-73010 | ||
| 3 | CỤM LIÊN KẾT, DƯỚI | 1A8263-73300 | ||
| 4 | CỤM XÍCH, KIỂM TRA | 1A8253-74601 | 1,007,000 | |
| 5 | CỤM XÍCH, TRƯỚC | 1A8253-74610 | ||
| 6 | CHỐT, XÍCH KIỂM TRA | 198254-74630 | ||
| 7 | CHỐT, CHÊM 4.0X25 | 1A7335-74630 | ||
| 8 | CỤM XÍCH, SAU | 1A8253-74650 | ||
| 9 | VÒNG, 32 | 1A7500-74661 | 50,000 | |
| 10 | ĐAI ỐC, M16 | 1A7500-74670 | ||
| 11 | VÒNG ĐỆM, LÒ XO 16 | 1A7500-74680 | ||
| 12 | ĐAI ỐC SIẾT, M20 | 1A8253-74700 | ||
| 13 | LÒ XO, KHÓA 3 ĐIỂM | 1A7781-73150 |