Hotline:
0988.437.228 / 0925.851.688
Maykeo.VN - Thông tin chi tiết máy kéo
Trang chủ
Giới thiệu
Hướng dẫn đặt hàng
Giỏ hàng (0)
Đăng nhập
Trang chủ
Máy kéo KUBOTA
Các dòng máy mới B2420-L3108- L3408-L4508-L3218-L4018-L5018-M6040-M7040-M9540
máy kéo Kubota L4018
Sơ đồ tháo lắp phụ tùng
ĐỘNG CƠ
HỆ THỐNG NHIÊN LIỆU
HỆ THỐNG LÀM MÁT
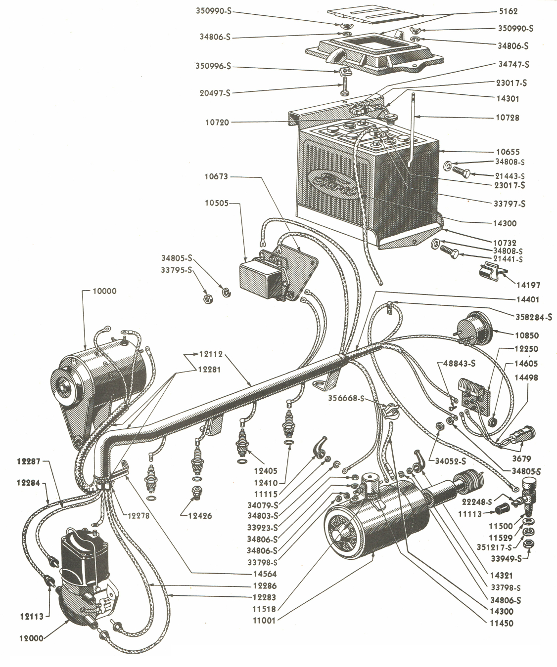
HỆ THỐNG ĐIỆN
LY HỢP-TRUYỀN ĐỘNG
CẦN - CHẠC ĐIỀU KHIỂN
TRỤC SAU
TRỤC TRƯỚC
HỆ THỐNG LÁI
HỆ THỐNG THUỶ LỰC
NỐI 3 ĐIỂM
VỎ MÁY-TẤM GÁ
LỐP
TEM NHÃN