Hotline:
0988.437.228 / 0925.851.688
Maykeo.VN - Thông tin chi tiết máy kéo
Trang chủ
Giới thiệu
Hướng dẫn đặt hàng
Giỏ hàng (0)
Đăng nhập
Trang chủ
Máy kéo YANMAR
Máy kéo YM351A -YM357A-EF393T-EF494T-EF725T-YM359A-EF514MU
Máy kéo EF393
Sơ đồ tháo lắp phụ tùng Yanmar EF393
ĐỘNG CƠ
ĐIỀU KHIỂN ĐỘNG CƠ
TRỤC TRƯỚC
HỘP SỐ
TRỤC SAU
HỆ THỐNG THỦY LỰC
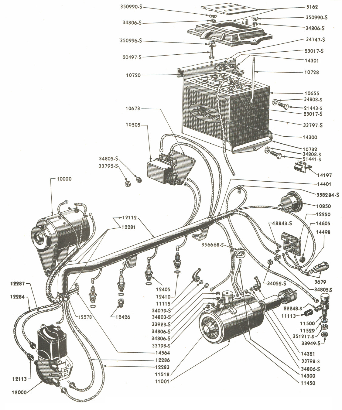
HỆ THỐNG ĐIỆN
THÂN VỎ
TEM NHÃN
NỐI 3 ĐIỂM
KHUNG AN TOÀN
TÙY CHỌN MUA THÊM