Hotline:
0988.437.228 / 0925.851.688
Maykeo.VN - Thông tin chi tiết máy kéo
Trang chủ
Giới thiệu
Hướng dẫn đặt hàng
Giỏ hàng (0)
Đăng nhập
Trang chủ
Máy kéo KUBOTA
Dòng L - L1 Nhật bãi
Kubota L1-38
Sơ đồ tháo lắp phụ tùng
ĐỘNG CƠ
TRỤC TRƯỚC
LY HỢP-TRUYỀN ĐỘNG
HỆ THỐNG LÁI
HỆ THỐNG LÀM MÁT
LỌC KHÍ - ỐNG XẢ
VỎ MÁY-TẤM GÁ
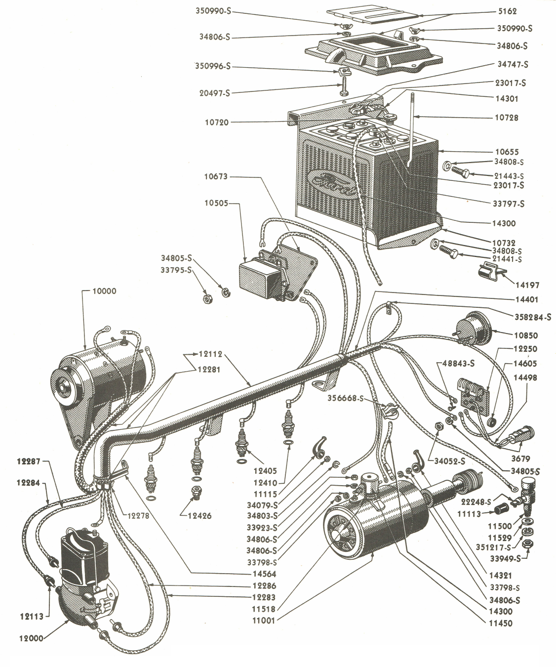
HỆ THỐNG ĐIỆN
HỆ THỐNG NHIÊN LIỆU
NỐI BA ĐIỂM
HỆ THỐNG THUỶ LỰC
LỐP